Beschreibung
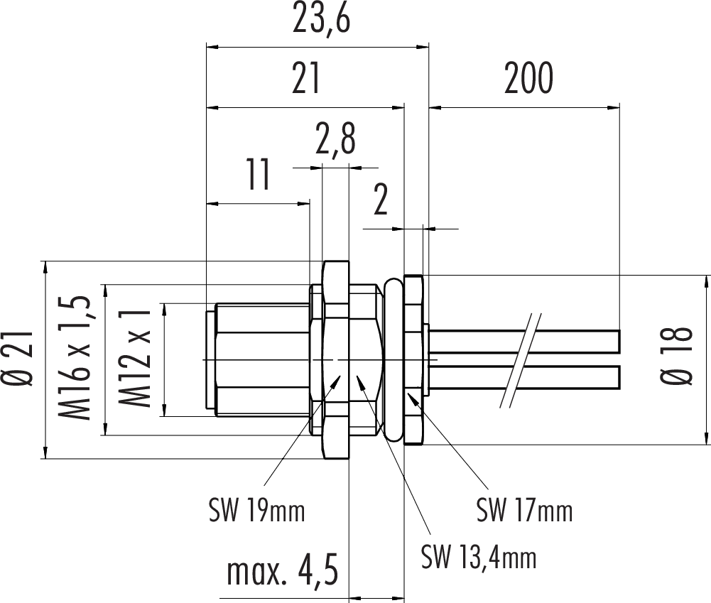
Polzahl: 3+PE, Litzen, IP68, UL, M16x1,5
Der Elektronik Shop von E. Hartner bietet eine riesige Auswahl an verschiedenen Kabeln und Steckverbindern.
€0.00
Polzahl: 3+PE, Litzen, IP68, UL, M16x1,5
| Serie | Serie 814 |
|---|---|
| Ausführung | Steckverbinder Stift gerade |
| Polzahl | 4 |
| Steckverbinder-Verriegelung | schraub |
| Anschlussart | Litzen |
| Schutzart | IP68 |
| Datenblatt | 09+0691+121+04 |
| Hersteller | BINDER |
© 2026 E.Hartner&Co GmbH made by LEMONTEC