Beschreibung
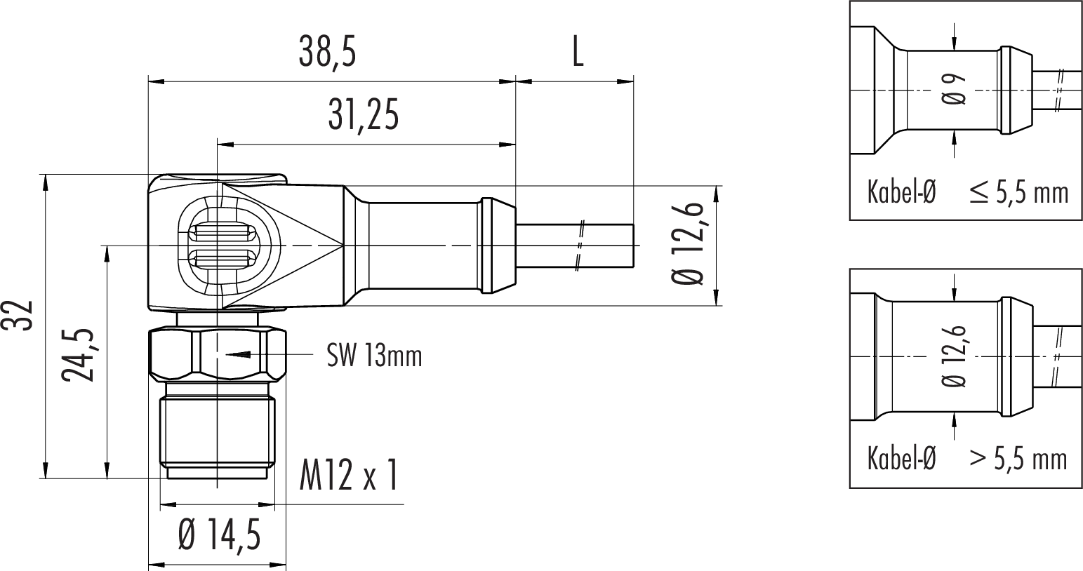
Polzahl: 5, nicht geschirmt, crimpen, am Kabel angespritzt, IP69K, Standard Kabel, PVC Kabel grau, 5 x 0,34 mm²
Der Elektronik Shop von E. Hartner bietet eine riesige Auswahl an verschiedenen Kabeln und Steckverbindern.
€18.72
0 Stk. VORRÄTIG (KANN NACHBESTELLT WERDEN)!
Lieferzeit bei nicht lagernder Ware: max. ca. 5 Wochen
| ab | Stückpreis |
| 1 Stk. | 18.72 € |
| 20 Stk. | 15.13 € |
| 40 Stk. | 12.92 € |
| 100 Stk. | 11.6 € |
| 500 Stk. | 11.24 € |
Polzahl: 5, nicht geschirmt, crimpen, am Kabel angespritzt, IP69K, Standard Kabel, PVC Kabel grau, 5 x 0,34 mm²
| Serie | Serie 763 |
|---|---|
| Ausführung | Steckverbinder Stift gewinkelt |
| Polzahl | 5 |
| Steckverbinder-Verriegelung | schraub |
| Anschlussart | crimpen, am Kabel angespritzt |
| Schutzart | IP69K |
| EMV-Tauglichkeit | nicht geschirmt |
| Datenblatt | 77+3727+0000+20405+0500 |
| Hersteller | BINDER |
© 2026 E.Hartner&Co GmbH made by LEMONTEC