M12-A
M12-A Serie 763 · Flanschstecker mit durchgängigem
M12-Befestigungsgewinde und Litzen
- Portfolioerweiterung um Litzenversion
- A-Kodierung
- Flanschstecker
- Standard-Litzenlänge 0,2 m. Längenvarianten auf Anfrage
- IP68 in gestecktem Zustand
- Lieferbar
Bezeichnung
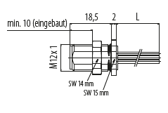
Maßzeichnung
Polzahl / Bestellnummer
Flanschstecker


4 / 76-1031-1011-00004-0200
5 / 76-1031-1011-00005-0200
8 / 76-1031-1011-00008-0200
12 / 76-1031-1011-00012-0200








